65 Lượt xem
Công tắc báo mức (JB, JC7, JD, JF, JRS) là các thiết bị dùng để phát hiện và cảnh báo mức chất lỏng hoặc vật liệu trong bồn chứa, silo hay bể công nghiệp. Các dòng công tắc này được thiết kế đơn giản, độ tin cậy cao và dễ lắp đặt, giúp hệ thống vận hành an toàn, tránh tình trạng tràn hoặc cạn bồn trong quá trình sản xuất.
Công tắc báo mức là thiết bị dùng để phát hiện mức của chất lỏng hoặc vật liệu rắn trong bồn chứa. Khi mức vật liệu đạt đến vị trí cài đặt, công tắc sẽ kích hoạt tín hiệu điện để cảnh báo hoặc điều khiển các thiết bị liên quan như bơm, van hoặc hệ thống báo động.
Các dòng công tắc JB, JC7, JD, JF và JRS được thiết kế để đáp ứng nhiều ứng dụng khác nhau trong công nghiệp. Tùy theo đặc điểm môi trường và loại vật liệu cần đo, người dùng có thể lựa chọn loại công tắc phù hợp.
Nhờ thiết kế đơn giản nhưng hiệu quả, các công tắc báo mức này được sử dụng phổ biến trong các nhà máy sản xuất, hệ thống xử lý nước, kho chứa nguyên liệu và nhiều lĩnh vực khác.

JB là dòng công tắc báo mức được sử dụng phổ biến cho các bồn chứa chất lỏng. Thiết bị có thiết kế gọn nhẹ, dễ lắp đặt và phù hợp với nhiều loại bể chứa khác nhau. Công tắc JB thường được sử dụng trong các hệ thống nước, bồn chứa nhiên liệu hoặc bể hóa chất.
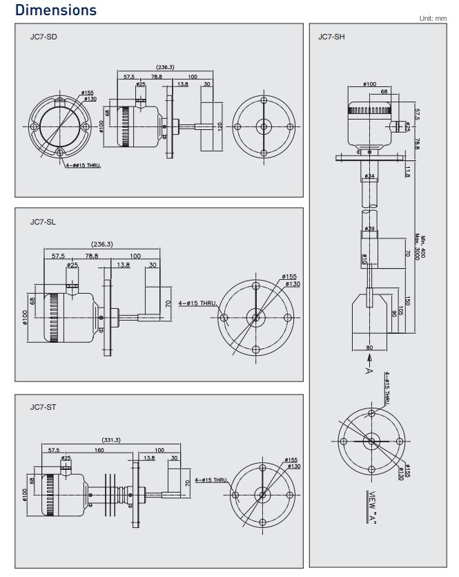
JC7 là dòng công tắc được thiết kế để hoạt động ổn định trong môi trường công nghiệp. Thiết bị có độ bền cao và khả năng chịu được điều kiện làm việc khắc nghiệt. JC7 thường được sử dụng trong các nhà máy sản xuất hoặc hệ thống xử lý nước thải.
JD là loại công tắc báo mức có khả năng phát hiện mức chính xác và phản hồi nhanh. Thiết bị phù hợp với các ứng dụng yêu cầu độ tin cậy cao. JD thường được lắp đặt trong các bồn chứa lớn hoặc hệ thống lưu trữ nguyên liệu.
JF được thiết kế để sử dụng trong nhiều môi trường khác nhau, từ nước sạch đến hóa chất nhẹ. Thiết bị có khả năng hoạt động ổn định và ít bị ảnh hưởng bởi điều kiện môi trường. JF thường được sử dụng trong ngành thực phẩm, nước giải khát hoặc các hệ thống sản xuất tự động.
JRS là dòng công tắc báo mức chuyên dụng cho các hệ thống công nghiệp có yêu cầu độ bền cao. Thiết bị có cấu trúc chắc chắn và tuổi thọ dài. JRS thường được sử dụng trong các nhà máy hóa chất, dầu khí hoặc công nghiệp nặng.

Độ tin cậy cao : Các công tắc báo mức này được thiết kế để hoạt động ổn định trong thời gian dài, giúp giảm nguy cơ sự cố trong hệ thống.
Thiết kế đơn giản : Cấu trúc đơn giản giúp việc lắp đặt và vận hành trở nên dễ dàng, đồng thời giảm chi phí bảo trì.
Phản hồi nhanh : Khi mức vật liệu thay đổi, công tắc có thể phản hồi gần như ngay lập tức, giúp hệ thống điều khiển hoạt động kịp thời.
Chi phí hợp lý : So với các thiết bị đo mức phức tạp hơn như cảm biến radar hoặc siêu âm, công tắc báo mức có chi phí thấp hơn nhưng vẫn đáp ứng tốt nhu cầu giám sát mức.
Ứng dụng linh hoạt : Các dòng công tắc JB, JC7, JD, JF và JRS có thể sử dụng cho nhiều loại môi trường và vật liệu khác nhau.
Công tắc báo mức được sử dụng rộng rãi trong nhiều ngành công nghiệp khác nhau.
Hệ thống cấp nước : Trong các bồn chứa nước, công tắc báo mức giúp kiểm soát hoạt động của bơm để đảm bảo bồn luôn có đủ nước.
Hệ thống xử lý nước thải : Thiết bị giúp giám sát mức nước trong bể xử lý và kích hoạt hệ thống bơm khi cần thiết.
Nhà máy sản xuất : Trong các dây chuyền sản xuất, công tắc báo mức giúp kiểm soát lượng nguyên liệu trong bồn chứa.
Kho chứa nhiên liệu : Thiết bị giúp phát hiện mức nhiên liệu để tránh tình trạng tràn hoặc cạn bồn.
Công nghiệp thực phẩm : Trong ngành thực phẩm, công tắc báo mức giúp kiểm soát mức nguyên liệu trong các bồn trộn hoặc bồn chứa.
Khi lựa chọn công tắc báo mức, cần xem xét một số yếu tố quan trọng:
Việc lựa chọn đúng loại công tắc sẽ giúp hệ thống hoạt động hiệu quả và ổn định.
Công tắc báo mức JB, JC7, JD, JF và JRS là những thiết bị quan trọng trong hệ thống giám sát mức của các bồn chứa công nghiệp. Với thiết kế đơn giản, độ bền cao và khả năng hoạt động ổn định, các thiết bị này giúp doanh nghiệp kiểm soát mức chất lỏng hoặc vật liệu một cách hiệu quả.
CÔNG TY TNHH GV ENGINEERING – Gia Vũ Metal - đơn vị chuyên cung cấp các dòng đồng hồ áp suất Wise chính hãng,
Website: phukieninox24h.com
Điện thoại: 0932055778 - 0905948602 - 0986859648
Email: giavu.sales1@gmail.com
Hoặc truy cập website : https://phukieninox24h.com/
Copyright © 2017 phukieninox24h.com . All rights reserved