69 Lượt xem
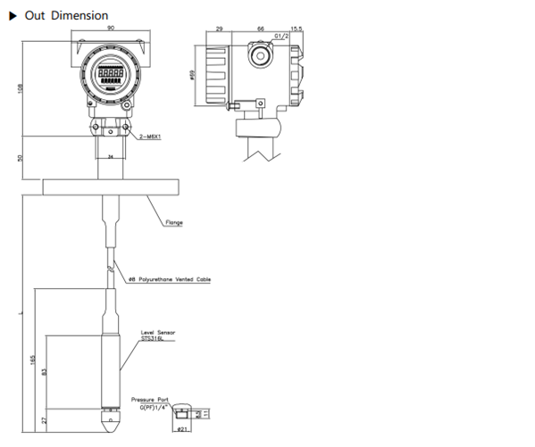
Cảm biến mức với màn hình hiển thị tại chỗ SIL là thiết bị đo mức hiện đại được thiết kế cho các hệ thống công nghiệp yêu cầu độ an toàn và độ tin cậy cao. Thiết bị không chỉ đo chính xác mức chất lỏng hoặc vật liệu trong bồn chứa mà còn hiển thị trực tiếp giá trị đo tại hiện trường, đồng thời đáp ứng tiêu chuẩn an toàn chức năng SIL trong các hệ thống tự động hóa.
| Thông số | Giá trị |
|---|---|
| Model | SIL |
| Hãng sản xuất | Sensys |
| Dải đo | 0 ~ 350 mH₂O |
| Độ chính xác | ±0.2% FS ± 1 digit |
| Hiệu ứng nhiệt trên Zero | ±0.03% FS / ℃ |
| Hiệu ứng nhiệt trên Span | ±0.03% FS / ℃ |
| Phạm vi nhiệt độ bù | 0 ~ 70 ℃ |
| Nhiệt độ hoạt động | -20 ~ 80 ℃ |
| Thời gian đáp ứng | 0.1 ~ 1 giây |
| Nguồn cấp – loại 2 dây | 11 ~ 28 VDC |
| Nguồn cấp – loại 3 dây | 17 ~ 28 VDC |
| Tín hiệu đầu ra (2 dây) | 4 ~ 20 mA |
| Tín hiệu đầu ra (3 dây) | 4 ~ 20 mA, 0 ~ 5V, 1 ~ 5V, 0 ~ 10V |
| Tùy chọn thêm | Relay 2 kênh (3A 30VDC / 3A 250VAC), RS485 |
| Vật liệu | Thép không gỉ 316L (316L SS) |
| Cấp bảo vệ – phần cảm biến | IP68 |
| Cấp bảo vệ – phần đầu | IP67 |


Copyright © 2017 phukieninox24h.com . All rights reserved