58 Lượt xem
Cảm biến mức PLN PLA là thiết bị đo và giám sát mức chất lỏng được sử dụng trong nhiều hệ thống công nghiệp. Với thiết kế đơn giản, độ bền cao và khả năng hoạt động ổn định, các cảm biến PLN và PLA giúp phát hiện mức chất lỏng trong bồn chứa một cách chính xác, hỗ trợ hệ thống điều khiển và đảm bảo quá trình vận hành an toàn.
Cảm biến báo mức PLN/PLA của Sensys (Hàn Quốc) là loại cảm biến áp suất sử dụng công nghệ Piezoresistive, giúp đo mức chất lỏng chính xác đến mức độ sâu lên tới 350 mH₂O trong điều kiện nước biển, giếng sâu hoặc bồn chứa. Sản phẩm đạt tiêu chuẩn IP68, đi kèm dây cáp thông hơi bằng polyurethane giúp bù khí quyển hiệu quả.
Có khả năng chống thấm nước ở độ sâu 350m và sử dụng cáp thông hơi polyurethane được sử dụng trong nước biển và thực hiện bù khí quyển, thích hợp đo mức các giếng sâu và mức bể.
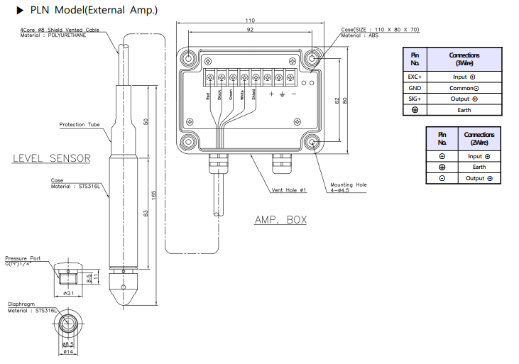
Tùy thuộc vào vị trí nhúng của amp, dòng cảm biến báo mức sensys này có cả PLN (amp ngoài) và PLA (amp bên trong) (Tham khảo bản vẽ kích thước bên dưới).
Dải đo mức nước: +) 0~1, 2, 3, 5, 10, 20, 30, 50, 70, 200, 350 mH2O (Gauge)
+) 0~10, 20, 30, 50, 70, 200, 350 mH2O (Absolute)
Các Model thông dụng: PLAH1000COJG, PLAH300CPJG, PLAH600COJG, ...
Tùy thuộc vào vị trí, dòng cảm biến báo mức sensys này có cả PLN (amp ngoài) và PLA (amp bên trong)


| Thông số | Giá trị |
|---|---|
| Model | PLN / PLA |
| Hãng sản xuất | Sensys |
| Dải đo | 0 ~ 350 mH₂O |
| Độ chính xác | ±0.15% FS (RSS) |
| Hiệu ứng nhiệt trên Zero | ±0.03% FS / ℃ |
| Hiệu ứng nhiệt trên Span | ±0.03% FS / ℃ |
| Phạm vi nhiệt độ bù | 0 ~ 70 ℃ |
| Nhiệt độ hoạt động | -20 ~ 80 ℃ |
| Nguồn cấp | 11 ~ 28 VDC |
| Đầu ra – dòng PLN | 4 ~ 20 mA (2 dây), 1 ~ 5 VDC |
| Đầu ra – dòng PLA | 4 ~ 20 mA (2 dây) |
| Kết nối điện – PLN | Hộp amplifier (khuếch đại tín hiệu) |
| Kết nối điện – PLA | Cáp polyurethane có ống thông hơi Φ8 |
| Cấp bảo vệ | IP68 |
| Vật liệu | 316L SS, Viton |



CÔNG TY TNHH GV ENGINEERING – Gia Vũ Metal - đơn vị chuyên cung cấp các dòng đồng hồ áp suất Wise chính hãng,
Website: phukieninox24h.com
Điện thoại: 0932055778 - 0905948602 - 0986859648
Email: giavu.sales1@gmail.com
Hoặc truy cập website : https://phukieninox24h.com/
Copyright © 2017 phukieninox24h.com . All rights reserved