50 Lượt xem
Đồng hồ nhiệt độ công tắc nhiệt T931, T932 (SPDT) là thiết bị đo và kiểm soát nhiệt độ tích hợp tiếp điểm Single Pole Double Throw (SPDT) cho phép chuyển mạch linh hoạt khi đạt mức nhiệt cài đặt. Sản phẩm vừa hiển thị nhiệt độ trực quan bằng mặt đồng hồ kim, vừa thực hiện chức năng đóng/ngắt hoặc chuyển đổi mạch điện để điều khiển cảnh báo, bơm, quạt hoặc hệ thống gia nhiệt. Thiết kế bền bỉ, độ chính xác cao, phù hợp lắp đặt trong lò hơi, bồn chứa, đường ống và hệ thống HVAC công nghiệp.

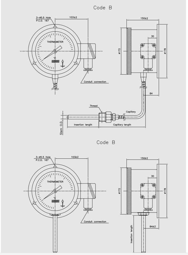
| Đường kính mặt | 150mm |
| Cấp chính xác | ±2.0 % toàn dải đo |
| Hệ thống đo lường | Khí hữu cơ: 0 ~ 200 °C (Chỉ T932) Khí trơ: -200 ~ 700 °C |
| Kiểu kết nối | Kết nối trực tiếp que đo và mặt đồng hồ Kết nối que đo và mặt đồng hồ thông qua dây dẫn |
| Que đo | Vật liệu: 316SS hoặc 316L SS Đường kính que đo: 8.0, 10.0 và 12.0 mm Chiều dài que đo: 50 ~ 2000 mm |
| Điện áp | AC 125 V / 250 V, 7 A AC 125 V / 250 V, 7 A cho tải điện trở AC 125 V / 250 V, 7 A cho tải cảm ứng |
| Hình thức chuyển đổi | Một SPDT cho điểm đặt đơn Hai SPDT cho điểm đặt kép |

Nhờ những ưu điểm nổi bật, đồng hồ nhiệt độ WISE T931 được ứng dụng rộng rãi trong nhiều ngành và lĩnh vực:
- Công nghiệp: Kiểm soát nhiệt độ trong các quy trình sản xuất như lò nung, lò sấy, hệ thống làm lạnh công nghiệp, máy ép nhựa, v.v.Đồng hồ nhiệt độ Wise T931, T932 là dòng thiết bị đo nhiệt độ được cài đặt với một tiếp xúc vi mô dùng đóng mở thiết bị kết nối cùng khi, và được trang bị một mặt đồng hồ hiển thị giá trị nhiệt độ đo được ngay tại chỗ.
Công tắc nhiệt độ Wise T931, T932 bao gồm 2 model sau:
- Model: T931 (Case compensation system) (SAMA IIIB) → bù vỏ case, phạm vi rộng -200 ~ 700°C.Copyright © 2017 phukieninox24h.com . All rights reserved