102 Lượt xem
Đồng hồ nhiệt độ Wise T250 được thiết kế với mặt đồng hồ tuyến tính và vạch bù nhiệt độ đảm bảo chỉ báo nhiệt độ chính xác ở các điều kiện môi trường khác nhau.
Như chúng ta đã biết, Wise là một thương hiệu nổi tiêng tại Hàn Quốc, với rải phân phối rộng khắp toàn cầu. Trong hơn 54 năm, cái tên Wise đã đại diện cho sự đổi mới và chất lượng trong lĩnh vực đo áp suất, nhiệt độ và khí. Và họ chuyên phục vụ bao gồm ngành sản xuất điện, dầu khí, hóa dầu và chế biến hóa chất, ngành công nghiệp giấy và bột giấy, sản xuất chất bán dẫn, ngành công nghiệp luyện kim, dược phẩm sinh học và ngành thực phẩm và đồ uống.
Sở hữu thiết kế hiện đại cùng tiêu chuẩn sản xuất khắt khe của Hàn Quốc, đồng hồ nhiệt độ T250 Wise luôn được giới kỹ thuật đánh giá cao và sử dụng rộng rãi trên thị trường. Sản phẩm nổi bật với chất liệu từ inox 304, chất liệu chân đo inox 316 cùng dải đo rộng lên tới 700 độ C nên model đảm bảo độ chính xác và ổn định trong môi trường khắc nghiệt.
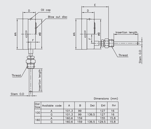
Model đồng hồ nhiệt độ Wise model T250 thiết kế với mặt đồng hồ trực quan, rõ ràng với kim chỉ thị sắc nét, kích cỡ 100mm hoặc 1600mm giúp người dùng dễ dàng quan sát và đọc giá trị nhiệt độ nhanh. Bên cạnh đó, thiết bị còn sản xuất với nhiều tùy chọn như chiều dài chân đo, kích cỡ chân đo hay kiểu kết nối nhằm đáp ứng linh hoạt theo các yêu cầu lắp đặt khác nhau trong kỹ thuật.
Nhờ đạt các tiêu chuẩn kỹ thuật quốc tế và độ hoàn thiện cao nên đồng hồ nhiệt độ T250 Wise luôn được ứng dụng rộng rãi trong nhiều lĩnh vực, đặc biệt như ngành HVAC, công nghiệp nặng, hóa chất,…
| Thương hiệu | Wise |
| Model | T250 |
| Xuất xứ | Hàn Quốc |
| Nhiệt độ hoạt động | Khí hữu cơ: 0°C ~ 200°C Khí trơ: – 200°C ~ 700°C |
| Đường kính | 100mm và 160mm |
| Chân kết nối | Chân đứng, kết nối trực tiếp Chân sau, phía dưới mặt sau đồng hồ |
| Vật liệu chế tạo vỏ | Inox 304 |
| Vật liệu chân đo | Inox 316 và inox 316L |
| Kính cửa sổ | Kính an toàn nhiều lớp |
| Mặt đồng hồ | Nhôm trắng, vạch chia đen |
| Chân đo | 8.0, 10.0 và 12.0 mm |
| Chiều dài chân đo | Max 2000 mm |
| Dầu đồng hồ | Glycerin – Silicone |
| Cấp chính xác | ± 2.0% toàn thang đo ( tùy chọn ± 1.0% toàn thang đo) |
| Kết nối ren | ⅜”, ½”, ¾” PT, NPT và PF |
| Vị trí chân kết nối | Bottom connection, direct Lower back connection, direct |
| Vỏ | Inox 304 |
| Lớp vỏ bọc ngoài | Inox 304 Bayonet type |
| Kính quan sát | Tempered safety glass |
| Số in trên đồng hồ | Nhôm trắng sơn đen |
| Kim đồng hồ | Hợp kim nhôm đen |
| Chân đo | 8.0, 10.0 and 12.0 mm Inox 316 and 316L |
| Kiểu kết nối và tiêu chuẩn | 3/8″, 1/2″, 3/4″ PT, NPT and PF |
| Tuỳ chọn | Special accuracy, ±1.0 % of full scale |
Đồng hồ nhiệt độ T250 được thiết kế với kiểu chân đứng ( code A ) và chân sau lệch tâm ( code G ).


1. Hệ thống lò hơi (Boiler)
2. Đường ống công nghiệp
3. Hệ thống HVAC (Điều hòa – Thông gió – Chiller)
4. Ngành thực phẩm & đồ uống
5. Ngành hóa chất & dầu khí
6. Nhà máy sản xuất & cơ khí
Copyright © 2017 phukieninox24h.com . All rights reserved