54 Lượt xem
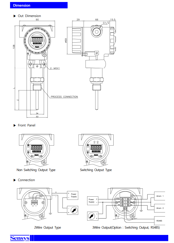
Explosion Proofed Temperature Transmitter with Local Indication TIG là thiết bị đo và truyền tín hiệu nhiệt độ được thiết kế cho các môi trường công nghiệp có nguy cơ cháy nổ. Thiết bị tích hợp màn hình hiển thị tại chỗ và hỗ trợ truyền tín hiệu về hệ thống điều khiển, giúp giám sát nhiệt độ chính xác và an toàn.
Explosion Proofed Temperature Transmitter with Local Indication TIG là thiết bị truyền tín hiệu nhiệt độ có hiển thị tại chỗ và đạt tiêu chuẩn chống cháy nổ, được thiết kế để sử dụng trong các môi trường công nghiệp khắc nghiệt như nhà máy hóa chất, nhà máy dầu khí, nhà máy điện và khu vực có khí dễ cháy nổ.
Thiết bị thuộc dòng sản phẩm của Saginomiya, thương hiệu nổi tiếng từ Nhật Bản chuyên sản xuất các thiết bị đo lường và điều khiển công nghiệp với độ chính xác cao và độ bền vượt trội.
TIG cho phép đo nhiệt độ chính xác, hiển thị trực tiếp tại hiện trường và truyền tín hiệu về hệ thống điều khiển trung tâm, giúp kỹ sư vận hành dễ dàng giám sát và quản lý nhiệt độ trong quá trình sản xuất.
Thiết bị được thiết kế theo tiêu chuẩn chống cháy nổ, phù hợp lắp đặt trong các khu vực nguy hiểm như : Nhà máy hóa dầu, Nhà máy lọc dầu, Nhà máy hóa chất, Khu vực có khí gas dễ cháy
Vỏ thiết bị chắc chắn giúp bảo vệ hệ thống đo khỏi tia lửa và các yếu tố nguy hiểm.
TIG được tích hợp màn hình hiển thị nhiệt độ trực tiếp, cho phép người vận hành kiểm tra thông số ngay tại hiện trường mà không cần truy cập hệ thống điều khiển.
Thiết bị có khả năng chuyển đổi tín hiệu nhiệt độ từ cảm biến sang tín hiệu analog tiêu chuẩn (thường là 4–20mA) để truyền về : PLC, DCS, Hệ thống SCADA. Điều này giúp hệ thống giám sát và điều khiển nhiệt độ chính xác theo thời gian thực.
Thiết bị được thiết kế để hoạt động ổn định trong điều kiện : Nhiệt độ môi trường cao, Độ rung động lớn, Môi trường hóa chất ăn mòn



Thiết bị Explosion Proofed Temperature Transmitter TIG được ứng dụng rộng rãi trong nhiều lĩnh vực như:
Việc sử dụng thiết bị TIG mang lại nhiều lợi ích cho hệ thống vận hành:
✅ Kết luận:
Explosion Proofed Temperature Transmitter with Local Indication TIG là giải pháp đo và truyền tín hiệu nhiệt độ an toàn, chính xác và đáng tin cậy cho các ngành công nghiệp yêu cầu tiêu chuẩn an toàn cao.
CÔNG TY TNHH GV ENGINEERING – Gia Vũ Metal - đơn vị chuyên cung cấp các dòng đồng hồ áp suất Wise chính hãng,
Website: phukieninox24h.com
Điện thoại: 0932055778 - 0905948602 - 0986859648
Email: giavu.sales1@gmail.com
Hoặc truy cập website : https://phukieninox24h.com/
Copyright © 2017 phukieninox24h.com . All rights reserved