58 Lượt xem
TSG Digital Temperature Gauge / Switch là thiết bị đo và giám sát nhiệt độ dạng điện tử, tích hợp chức năng hiển thị và công tắc nhiệt độ. Thiết bị cho phép đo nhiệt độ chính xác, hiển thị rõ ràng trên màn hình số và có thể cài đặt cảnh báo hoặc điều khiển khi nhiệt độ đạt ngưỡng.
Các hệ thống công nghiệp hiện đại, việc giám sát và kiểm soát nhiệt độ đóng vai trò rất quan trọng. Nhiệt độ ảnh hưởng trực tiếp đến hiệu suất vận hành của thiết bị, chất lượng sản phẩm cũng như độ an toàn của toàn bộ hệ thống. Chính vì vậy, các nhà máy thường sử dụng các thiết bị đo và điều khiển nhiệt độ chuyên dụng.
Một trong những thiết bị được sử dụng phổ biến hiện nay là TSG Digital Temperature Gauge / Switch. Đây là thiết bị đo và điều khiển nhiệt độ dạng điện tử, kết hợp chức năng đồng hồ hiển thị nhiệt độ và công tắc nhiệt độ trong cùng một thiết bị.
Nhờ thiết kế hiện đại, độ chính xác cao và khả năng cài đặt linh hoạt, thiết bị này được ứng dụng rộng rãi trong nhiều hệ thống công nghiệp.
TSG Digital Temperature Gauge / Switch là thiết bị đo nhiệt độ kỹ thuật số được thiết kế để đo, hiển thị và kiểm soát nhiệt độ trong các hệ thống công nghiệp.\
Khác với các đồng hồ nhiệt độ cơ truyền thống, thiết bị này sử dụng cảm biến nhiệt độ điện tử kết hợp với mạch xử lý tín hiệu để hiển thị giá trị nhiệt độ chính xác trên màn hình kỹ thuật số.
Ngoài chức năng hiển thị nhiệt độ, thiết bị còn có thể cài đặt ngưỡng nhiệt độ để kích hoạt tín hiệu điều khiển hoặc cảnh báo. Điều này giúp hệ thống tự động phản ứng khi nhiệt độ vượt quá giới hạn cho phép.
TSG Digital Temperature Gauge / Switch hoạt động dựa trên nguyên lý đo nhiệt độ bằng cảm biến điện tử. Quá trình hoạt động của thiết bị diễn ra như sau:
Nhờ cơ chế này, thiết bị không chỉ giúp đo nhiệt độ chính xác mà còn hỗ trợ điều khiển hệ thống tự động.
Một trong những ưu điểm lớn của TSG Digital Temperature Gauge / Switch là màn hình hiển thị kỹ thuật số giúp người vận hành dễ dàng quan sát giá trị nhiệt độ. So với đồng hồ nhiệt độ dạng kim, màn hình số giúp: đọc giá trị nhanh chóng, giảm sai số khi đọc, hiển thị rõ ràng ngay cả trong môi trường ánh sáng yếu
Thiết bị sử dụng cảm biến nhiệt độ điện tử hiện đại, giúp đảm bảo độ chính xác cao trong quá trình đo nhiệt độ. Điều này rất quan trọng trong các hệ thống yêu cầu kiểm soát nhiệt độ chính xác như:, hệ thống HVAC, hệ thống lò hơi, hệ thống sản xuất công nghiệp
Ngoài chức năng đo nhiệt độ, TSG Digital Temperature Gauge / Switch còn tích hợp công tắc nhiệt độ (temperature switch). Người dùng có thể : cài đặt nhiệt độ cảnh báo, kích hoạt relay khi đạt ngưỡng, điều khiển thiết bị khác trong hệ thống. Nhờ đó, thiết bị có thể hoạt động như một bộ điều khiển nhiệt độ đơn giản.
Thiết bị được thiết kế với vỏ bảo vệ chắc chắn, phù hợp với môi trường công nghiệp. Nhờ thiết kế này, đồng hồ có thể hoạt động ổn định trong các môi trường như : nhà máy sản xuất, hệ thống HVAC, đường ống công nghiệp
TSG Digital Temperature Gauge / Switch có thiết kế nhỏ gọn và dễ lắp đặt. Thiết bị có thể lắp trực tiếp vào : đường ống, bồn chứa, hệ thống nhiệt. Việc cài đặt thông số cũng rất đơn giản thông qua bảng điều khiển của thiết bị.


Trong hệ thống điều hòa không khí trung tâm, thiết bị được sử dụng để : giám sát nhiệt độ, điều khiển hệ thống làm mát, duy trì nhiệt độ ổn định
Trong các hệ thống lò hơi công nghiệp, việc theo dõi nhiệt độ là yếu tố quan trọng để đảm bảo an toàn.Thiết bị giúp : giám sát nhiệt độ lò, kích hoạt cảnh báo khi nhiệt độ vượt mức, hỗ trợ vận hành an toàn
Trong các hệ thống truyền nhiệt : đồng hồ nhiệt độ điện tử giúp theo dõi nhiệt độ và điều khiển hệ thống hiệu quả. nước nóng, dầu truyền nhiệt, hơi nước
Trong nhiều dây chuyền sản xuất, nhiệt độ là yếu tố ảnh hưởng trực tiếp đến chất lượng sản phẩm. Việc sử dụng TSG Digital Temperature Gauge / Switch giúp doanh nghiệp: kiểm soát quá trình sản xuất, đảm bảo chất lượng sản phẩm ,tăng hiệu suất vận hành
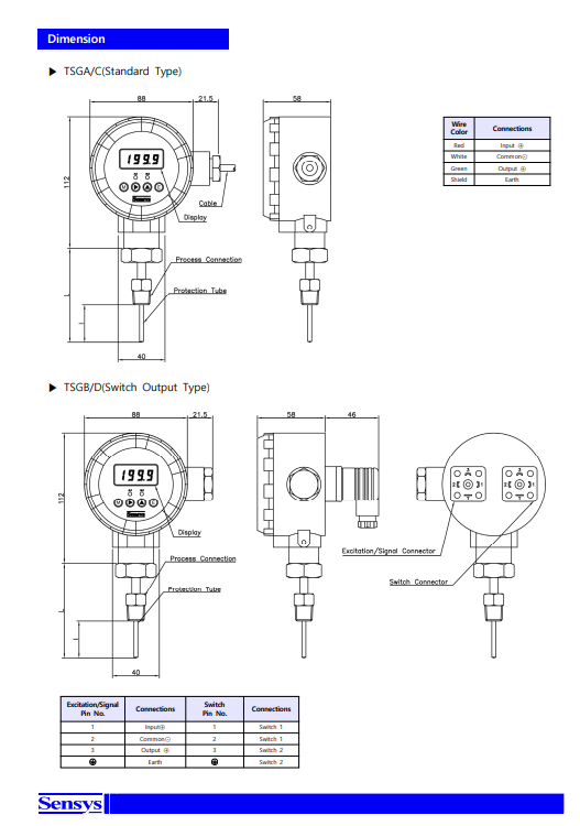
Một số thông số kỹ thuật phổ biến của TSG Digital Temperature Gauge / Switch bao gồm:
Các thông số cụ thể có thể thay đổi tùy theo model của thiết bị.
Việc sử dụng TSG Digital Temperature Gauge / Switch mang lại nhiều lợi ích cho hệ thống công nghiệp:
Nhờ đó, thiết bị giúp doanh nghiệp tối ưu hóa quá trình vận hành và đảm bảo an toàn hệ thống.
TSG Digital Temperature Gauge / Switch là thiết bị đo và điều khiển nhiệt độ điện tử hiện đại, được thiết kế để đáp ứng nhu cầu giám sát nhiệt độ trong nhiều hệ thống công nghiệp.
Với các ưu điểm như độ chính xác cao, hiển thị kỹ thuật số rõ ràng, tích hợp công tắc nhiệt độ và dễ dàng lắp đặt, thiết bị này đang trở thành lựa chọn phổ biến trong các hệ thống HVAC, lò hơi và dây chuyền sản xuất.
Nếu bạn đang tìm kiếm một giải pháp đo và kiểm soát nhiệt độ hiệu quả, đồng hồ nhiệt độ điện tử TSG chắc chắn là một lựa chọn đáng cân nhắc.
CÔNG TY TNHH GV ENGINEERING – Gia Vũ Metal - đơn vị chuyên cung cấp các dòng đồng hồ áp suất Wise chính hãng,
Website: phukieninox24h.com
Điện thoại: 0932055778 - 0905948602 - 0986859648
Email: giavu.sales1@gmail.com
Hoặc truy cập website : https://phukieninox24h.com/
Copyright © 2017 phukieninox24h.com . All rights reserved