76 Lượt xem
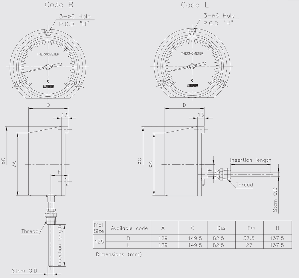
Đồng hồ nhiệt độ T359 Wise thuộc top các mẫu đồng hồ bán chạy nhất đến từ thương hiệu Wise của Hàn Quốc – Đây cũng là thương hiệu nổi tiếng trong lĩnh vực thiết bị đo lường trên Thế Giới. Dòng đồng hồ này được thiết kế với 2 kiểu kết nối chính là chân đứng và chân sau nên linh hoạt trong nhiều vị trí lắp đặt và nhu cầu sử dụng khác nhau.

| Thông số | Giá trị / Mô tả |
| Model | T359 |
| Kiểu | Safety pattern, solid-front, turret style, thermoplastic case |
| Đường kính mặt số | 125 mm |
| Độ chính xác | ±2.0% full scale (tùy chọn ±1.0%) |
| Phạm vi đo | -200 ~ +700 °C (hệ thống khí SAMA class IIIB) |
| Vật liệu thân đo (stem) | 316SS hoặc 316L SS |
| Đường kính thân đo | 6.4 mm, 8.0 mm, 10.0 mm, 12.0 mm |
| Kết nối process | 3/8″, 1/2″, 3/4″ PT / NPT / PF (có tùy chọn compression fitting hoặc movable thread) |
| Vị trí lắp | Bottom connection (B) hoặc Lower back (L) |
| Vật liệu vỏ | Black glass reinforced thermoplastic (PBTB) |
| Kính bảo vệ | Polycarbonate |
| Điều chỉnh zero | Internal |
| Áp suất chịu tối đa tại stem | 2 MPa (20 bar) – khuyến nghị dùng thermowell khi rung/áp cao/lưu tốc lớn |
| Chiều dài chèn (insertion) | 50 ~ 2000 mm (theo bảng code) |
| Phạm vi scale phổ biến | -200~100, 0~100, 0~200, 0~500, 0~700 °C, v.v. |

| Vị trí chân kết nối | Bottom connection, direct Lower back connection, direct |
| Vỏ | Black glass reinforced thermoplastic (PBTB) Solid front, blow-out back Turret style case with built in rear flange lugs |
| Kính quan sát | Polycarbonate |
| Số in trên đồng hồ | Nhôm trắng sơn đen |
| Kim đồng hồ | Hợp kim nhôm đen |
| Chân đo | 6.4, 8.0, 10.0 and 12.0 mm Inox 316 và 316L |
| Nút điều chỉnh về 0 | Internal |
| Kiểu kết nối và tiêu chuẩn | 3/8″, 1/2″, 3/4″ PT, NPT and PF |
| Tiêu chuẩn | ATEX Ex II GD c IIB TX |
| Tuỳ chọn | ±1.0 % of full scale |
Copyright © 2017 phukieninox24h.com . All rights reserved