84 Lượt xem
Đồng hồ nhiệt độ dạng dây Wise là loại đồng hồ có que đo và mặt hiển thị rời nhau và được kết nối với nhau bằng một dây đo có chiều dài khác nhau như: 0.5m, 1m, 3m, 4m, 5m….. Thiết bị được sử dụng để đo nhiệt độ tại các vị trí trên cao, khó quan sát hoặc trong môi trường nhiệt độ cao khiến việc quan sát trở nên khó khăn. Và phải nhờ đến dây dẫn để kéo đồng hồ ra bên ngoài, thuận tiện cho việc đọc số liệu.
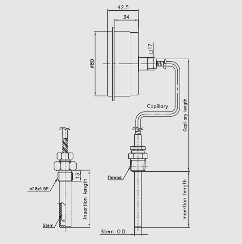
Đồng hồ nhiệt độ T263 Wise là dòng nhiệt kế cơ được đánh cao của thương hiệu Wise Hàn Quốc và nổi bật với khả năng đo lường chính xác và thích ứng với nhiều môi trường làm việc khác nhau. Model này có thiết kế đặc biệt với chân kết nối dạng sau và dây dài giúp đo nhiệt độ tại các vị trí trên cao, khó quan sát hoặc môi trường khắc nghiệt.
Model Wise T263 được thiết kế với đường kính mặt đồng hồ chính là 80mm và đường kính que đo 8mm, 10mm hoặc 12mm với chiều dài que đo lên tới 2000m. Chính vì thế, sản phẩm giúp phù hợp kết nối với nhiều hệ thống hoặc vị trí lắp đặt khác trong từng môi trường.
Đặc biệt, sở hữu dải đo lên tới 200 độ C cùng chất liệu que đo bằng thép không gỉ có khả năng chống ăn mòn, chịu nhiệt tốt nên đồng hồ đo nhiệt T263 của hãng Wise được sử dụng rộng rãi trong hệ thống gia nhiệt, hơi nóng, sản xuất thực phẩm, dệt nhuộm, hóa chất,…
| Thương hiệu | Wise |
| Model | T263 |
| Xuất xứ | Hàn Quốc |
| Nhiệt độ hoạt động | 0°C ~ 200°C |
| Đường kính | 80mm |
| Chân kết nối | Dạng dây – Chân sau |
| Vật liệu chế tạo vỏ | Đồng thau mạ đen |
| Vật liệu chân đo | Thép không gỉ |
| Kính cửa sổ | Kính an toàn nhiều lớp |
| Mặt đồng hồ | Nhôm trắng, vạch chia đen |
| Chân đo | 8.0, 10.0 và 12.0 mm |
| Chiều dài chân đo | Max 2000 mm |
| Cấp chính xác | ± 1.5% toàn thang đo ( tùy chọn ± 1.0% toàn thang đo) |
| Kết nối ren | ⅜”, ½”, ¾” PT, NPT và PF |

| Vị trí của thân và lắp | Kết nối trở lại Certer, xả, gắn nắp |
| Vỏ và nắp | Đồng đen hoàn thiện |
| Mao mạch | Ống mao dẫn: 1,6 / 0,2 mm, 316SS Ống bọc thép: 7,5 / 5,5 mm, 304SS |
| Cửa sổ | Kính an toàn nhiều lớp |
| Quay số | Nhôm trắng với vạch chia màu đen |
| Sự chuyển động | Rung động và rung của bộ giảm chấn bằng thép không gỉ |
| Con trỏ | Hợp kim nhôm sơn đen |
| Thân cây | 8.0, 10.0 và 12.0 mm 316SS và 316L SS |
| Điều chỉnh bằng không | Nội bộ |
| Kết nối thân, quy trình | ⅜ “, ½”, ¾ “PT, NPT và PF |
| Lựa chọn | ± 1,0% của quy mô đầy đủ |
Cũng giống với các nhiệt kế Wise khác, đều có mặt tròn. Tuy nhiên, đồng hồ nhiệt độ Wise T263 chỉ có đúng 1 kiểu chân duy nhất là chân sau đồng tâm nối với dây dẫn. Hơn thế nữa, bình thường đồng hồ sẽ có vành tròn, giúp cố định mặt đồng hồ, nhưng T263 lại là vành vuông, tạo cảm giác chắc chắn hơn, cũng như dễ dàng lắp đặt.
Kích thước kĩ thuật của Đồng hồ nhiệt độ dạng dây Wise T263


Copyright © 2017 phukieninox24h.com . All rights reserved