70 Lượt xem
WISE T191 là đồng hồ nhiệt độ công nghiệp lưỡng kim với vỏ và nắp được hàn kín (hermetically sealed case) bằng inox 316L, giúp ngăn hơi ẩm và bụi xâm nhập vào bên trong, giảm thiểu ngưng tụ, sương mù hoặc đóng băng trong vỏ đồng hồ, đảm bảo độ bền và độ ổn định hiển thị lâu dài. Đây là lựa chọn lý tưởng cho các hệ thống công nghiệp đo nhiệt độ khí và chất lỏng trong môi trường khắc nghiệt.
Wise Việt nam, đồng hồ nhiệt độ T191 được sử dụng để đo nhiệt độ của chất khí hoặc chất lỏng. Với thiết kế đặc biệt giúp ngăn chặn hơi ẩm xung quanh xâm nhập qua lớp vỏ, do đó giảm thiểu khả năng icing hoặc fogging bên trong đồng hồ.
Series T191 thuộc dòng đồng hồ nhiệt độ Wise được sản xuất bởi Wise – Hàn Quốc, thương hiệu nổi tiếng với hơn 50 năm chuyên về lĩnh vực đo áp suất, nhiệt độ và khí và có hơn 60 nhà phân phối trên toàn thế giới.
| Vị trí chân kết nối | Center back with adjustable stem | ![]() |
| Vỏ | Được niêm phong kín – Inox 316L | |
| Lớp vỏ bọc ngoài | Được niêm phong kín – Inox 316L | |
| Kính quan sát | Safety glass | |
| Số in trên đồng hồ | Nhôm trắng sơn đen | |
| Kim đồng hồ | Hợp kim nhôm đen | |
| Chân đo | Đường kính : 6.0, 6.4, 8.0 và 10.0 mm Inox 304, 316 và 316L Chiều dài : Max 2.000 mm | |
| Nút điều chỉnh về không | External | |
| Kiểu kết nối và tiêu chuẩn | 1/4″, 3/8″, 1/2″, 3/4″ PT, NPT and PF | |
| Tuỳ chọn | ±1.0 % of full scale Window : Safety glass Special range : 0 ~ 600oC |
| Thông số | Chi tiết |
| Model | T191 – Hermetically sealed case bimetal thermometer with adjustable stem |
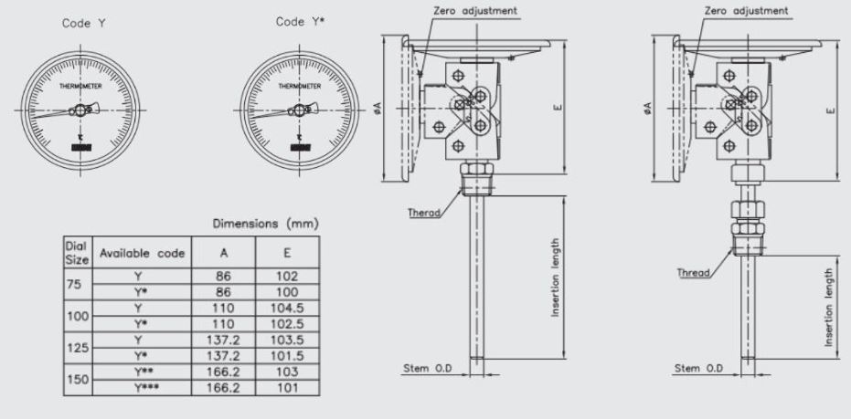
| Kích thước mặt số | 75, 100, 125, 150 mm |
| Độ chính xác (Accuracy) | ±2.0% of full scale (option ±1.0%) |
| Yếu tố cảm biến | Coiled bimetal |
| Dải đo (Scale range) | -50 ~ +600°C (tùy mã, ví dụ: -50~50, 0~100, 0~600°C) |
| Chiều dài que đo tối thiểu | Tùy dải đo và Ø stem (thường 25–110 mm) |
| Chiều dài que đo | 50 mm đến 2.000 mm (nhiều mã code) |
| Đường kính que đo | 6.0, 6.4, 8.0, 10.0 mm |
| Chất liệu que đo | 304SS, 316SS, 316L SS |
| Vỏ & nắp (Case & Cover) | Hermetically sealed, 316L SS |
| Mặt số (Dial) | Metallic silver aluminium, black graduations |
| Kim chỉ (Pointer) | Metallic silver aluminium, black graduations |
| Vị trí lắp que | Center back with adjustable stem |
| Kết nối ren (Process connection) | ¼”, ⅜”, ½”, ¾” PT/NPT/PF; Clamp (sanitary option) |
| Áp suất chịu đựng tối đa tại stem | 2 MPa (20 bar) – tĩnh; khuyến nghị dùng thermowell nếu rung/áp cao |
| Độ bảo vệ (IP rating) | IP66 (100 mm), IP67 (125 mm) |
| Điều chỉnh zero | External |

Copyright © 2017 phukieninox24h.com . All rights reserved