169 Lượt xem
Đồng hồ áp suất WISE P259 là biểu tượng của sự bền bỉ và chính xác trong các môi trường công nghiệp khắc nghiệt nhất năm 2026. Được chế tạo hoàn toàn từ thép không gỉ (Vỏ Inox 304 và chân kết nối Inox 316), P259 không chỉ chống lại sự ăn mòn của hóa chất mà còn được điền sẵn dầu chống rung (Glycerin hoặc Silicone). Thiết kế này giúp kim đồng hồ hoạt động ổn định tuyệt đối ngay cả khi lắp đặt trên các máy bơm công suất lớn hoặc đường ống có độ rung lắc mạnh. Đây là giải pháp đo lường tin cậy cho ngành dầu khí, hóa chất và xử lý nước thải.
– Đồng hồ có kiểu dáng nhỏ gọn nhưng vẫn chắc chắn, đảm bảo độ ổn định cao khi sử dụng. Cấu trúc bền bỉ giúp thiết bị hoạt động đáng tin cậy trong nhiều điều kiện khác nhau.
– Sản phẩm phù hợp cho phòng thí nghiệm, đo lường nhạc cụ và các lĩnh vực cần độ chính xác cao. Thiết bị hỗ trợ kiểm soát thông số hiệu quả, giúp đảm bảo kết quả đo lường chính xác tuyệt đối.
– Đồng hồ được chế tạo từ thép không gỉ, giúp tăng khả năng chịu lực và chống ăn mòn. Chất liệu cao cấp này đảm bảo tuổi thọ cao, ngay cả khi hoạt động trong môi trường khắc nghiệt.
– Sản phẩm tuân thủ các quy định EN60529 / IEC529, đảm bảo hiệu suất ổn định trong nhiều điều kiện khác nhau. Tiêu chuẩn này giúp đồng hồ hoạt động chính xác và duy trì độ tin cậy lâu dài.
– Đồng hồ đạt chứng nhận ATEX Ex II GD c IIc TX, phù hợp với môi trường có nguy cơ cháy nổ. Chứng nhận này giúp đảm bảo thiết bị hoạt động an toàn trong các khu vực đặc thù.

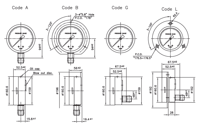
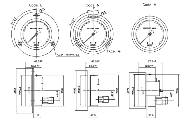
– Đường kính mặt: 160 (mm)
– Đơn vị đo: MPa, kPa, bar
– Phạm vi đo: -0.1~0, 0~0.1, đến 0~200 MPa
– Nhiệt độ hoạt động: + Môi trường xung quanh : -40 ~ 65ºC ( với Glycerin: -20~65ºC; với Silicone: -40~65ºC )
+ Với lưu chất: tối đa 200ºC ( với Glycerin: tối đa 100ºC ; với Silicone: tối đa 100ºC )
– Hiệu ứng nhiệt độ: Độ chính xác ở nhiệt độ trên và dưới nhiệt độ chuẩn ( 20ºC ),ảnh hưởng trong khoảng ± 0,4% trên 10℃ toàn thang đo.
– Cấp chính xác: ± 0.5% trên toàn thang đo
– Áp suất làm việc: Đạt 100% trên toàn thang đo
– Tiêu chuẩn kết nối: ¼”, ⅜”, ½” PT, NPT, PF
– Xác nhận chứng chỉ: ATEX Ex II GD c IIc TX
– Cấp độ bảo vệ: EN60529/IEC529/IP67

– Đồng hồ áp suất Wise P229 sử dụng ống Bourdon làm từ thép không gỉ 316. Điều này giúp dẫn truyền áp suất hiệu quả. Ống Bourdon đảm bảo độ bền cao và khả năng chống ăn mòn vượt trội. Với mức áp suất dưới 10 MPa, thiết bị trang bị ống Bourdon dạng chữ C. Thiết kế này duy trì độ chính xác và sự ổn định. Khi áp suất đạt từ 10 MPa trở lên, ống Bourdon dạng xoắn được áp dụng. Thiết kế này tăng cường khả năng chịu lực và nâng cao hiệu suất đo lường.
– Phần vỏ đồng hồ được chế tạo từ inox 304, giúp bảo vệ các linh kiện bên trong trước các tác động của môi trường, góp phần kéo dài tuổi thọ của thiết bị. Bên ngoài, lớp vỏ bọc cũng được làm từ inox 304, mang lại độ bền cao và khả năng chống chịu tốt ngay cả trong điều kiện khắc nghiệt.
– Mặt kính quan sát được thiết kế từ kính an toàn nhiều lớp, có khả năng chịu lực tốt, giúp hạn chế nguy cơ nứt vỡ khi xảy ra va đập. Bộ phận truyền động được chế tạo từ thép không gỉ, đảm bảo chuyển động mượt mà, giúp kim đồng hồ hiển thị áp suất với độ chính xác cao.
– Mặt số làm từ nhôm trắng với các thông số màu đen rõ nét, giúp dễ dàng quan sát ngay cả trong điều kiện thiếu sáng. Kim đồng hồ được sản xuất từ hợp kim nhôm màu đen, vừa nhẹ vừa bền, giúp nâng cao độ chính xác trong quá trình đo lường.

– Đồng hồ được thiết kế để đáp ứng nhu cầu đo lường trong nhiều lĩnh vực quan trọng. Thiết bị phù hợp cho môi trường yêu cầu độ chính xác cao và độ bền tối ưu. Sản phẩm đảm bảo khả năng đo lường ổn định ngay cả trong điều kiện khắc nghiệt.
– Wise P229 giúp duy trì độ chính xác cao trong môi trường nghiên cứu và kiểm định chất lượng. Thiết bị hỗ trợ các phép đo quan trọng, đảm bảo kết quả chính xác tuyệt đối. Nhờ đó, sản phẩm đáp ứng yêu cầu nghiêm ngặt trong nhiều ứng dụng chuyên sâu.
– Sản phẩm hỗ trợ đo độ nén âm thanh, giúp tối ưu hiệu suất của các thiết bị nhạc cụ. Đồng hồ giúp xác định thông số quan trọng, cải thiện chất lượng âm thanh hiệu quả. Đây là công cụ lý tưởng cho các nhà sản xuất và kỹ sư âm thanh.
Không dùng đồng hồ đo áp suất cho hệ thống có áp suất vượt quá phạm vi cho phép để tránh hư hỏng.Kiểm tra thông số áp suất trên nhãn thiết bị trước khi lắp đặt để đảm bảo phù hợp với hệ thống.Nếu hệ thống có khả năng tăng áp đột ngột, hãy lắp thêm thiết bị bảo vệ để tránh hư hỏng đồng hồ.
Tránh lắp đặt đồng hồ trong môi trường có hóa chất ăn mòn để không làm giảm tuổi thọ thiết bị.Nếu cần sử dụng trong môi trường hóa chất, hãy chọn loại đồng hồ có vật liệu chống ăn mòn phù hợp.Kiểm tra định kỳ vỏ đồng hồ để phát hiện dấu hiệu ăn mòn và thay thế kịp thời nếu cần thiết.
Không để đồng hồ chịu lực đè nén, rung lắc hoặc va đập mạnh để đảm bảo độ bền thiết bị.Lắp đồng hồ tại vị trí ít rung động hoặc sử dụng phụ kiện giảm rung nếu hệ thống có dao động mạnh.
Trước khi tháo đồng hồ khỏi hệ thống, cần đóng van để tránh rò rỉ áp suất và đảm bảo an toàn.
Nếu cần kiểm tra hoặc thay thế đồng hồ, hãy giảm áp suất hệ thống xuống mức an toàn trước khi tháo.
Không cắt nắp dầu khi lắp đặt ngoài trời để tránh nước mưa xâm nhập gây đọng sương bên trong đồng hồ.Nếu đồng hồ sử dụng ngoài trời, hãy lắp thêm hộp bảo vệ để hạn chế tác động của thời tiết.Thường xuyên kiểm tra nắp dầu để đảm bảo không bị hở hoặc hư hỏng do môi trường bên ngoài.
Khi cần kiểm tra áp suất bên trong, hãy tháo nắp dầu đúng cách để xả áp suất an toàn.Chỉ tháo nắp dầu khi đồng hồ đang ở trạng thái ổn định, không chịu áp suất cao để tránh rủi ro.Sử dụng khăn hoặc dụng cụ bảo vệ tay khi tháo nắp dầu để hạn chế rò rỉ dầu ra ngoài.
Giá thành sản phẩm của mỗi dòng Đồng hồ áp suất sẽ phụ thuộc vào vật liệu cấu tạo, đường kính sản phẩm. Đồng hồ áp suất (dầu) WISE P259 (vỏ inox chân đồng) cũng vậy.
Tại sao nên mua Đồng hồ áp suất (dầu) WISE P259 (vỏ inox chân đồng)
Với uy tín từ thương hiệu Wise Control Hàn Quốc, P259 đảm bảo đầy đủ chứng chỉ CO/CQ và đạt tiêu chuẩn an toàn quốc tế EN 837-1. Đây là sự đầu tư thông minh cho các nhà máy sản xuất, hệ thống HVAC và phòng máy nén khí.
Để nhận bảng giá mới nhất 2026 và tư vấn kỹ thuật chuyên sâu, bạn có thể tham khảo thêm tại Wise Gia Vũ để đảm bảo mua hàng chính hãng.
CÔNG TY TNHH GV ENGINEERING – Gia Vũ Metal - đơn vị chuyên cung cấp các dòng Đồng hồ áp suất WISE chính hãng,
Website: phukieninox24h.com
Điện thoại: 0932055778 - 0905948602 - 0986859648
Email: giavu.sales1@gmail.com
Hoặc truy cập website : https://phukieninox24h.com/
Copyright © 2017 phukieninox24h.com . All rights reserved